9. Europäischer Wettbewerb der Parkettleger
Veranstalter
Europäischer Förderverein für die Ausbildung von Parkettleger und Fußbodentechnik e.V. –EUFA P+F
Austragungsort
Wettbewerb für Parkett- u. Bodenleger: 2012 Rumänien - Bukarest - Messegelände Romexpo
Teilnehmerländer
Österreich, Tschechien, Deutschland, Italien – Südtirol, Polen, Rumänien
Gewinner
Parkettleger
1. Stefan Hock, Deutschland
2. Jürgen Thöni, Österreich
3. Benedikt Ramming, Deutschland
Bodenleger
1. Kai-Kevin Marx, Deutschland
2. Georgios Gylfadottir, Deutschland
3. Jovan Jovanovic, Österreich
Preise
Die Wettbewerbsteilnehmer erhalten Diplome und eine Teilnehmerskulptur zur Erinnerung. Wettbewerbssieger (1. - 3. Platz) bekommen Sonderpreise von den Sponsoren. Sofern Designpreise ausgeschrieben werden, ermitteln die Fördermitglieder den 1. Designsieger mit Preisübergabe.
Gäste & Juroren
Ein bis zwei Wettbewerb-Teilnehmer – Parkettleger / Bodenleger- (bis 25 Jahre) und zwei offizielle Personen sind Gäste des Wettbewerb-Ausrichterlandes. Die zweite offizielle Person soll ein von der EUFA geschulter Juror sein, der sein Heimatland nicht bewerten darf.

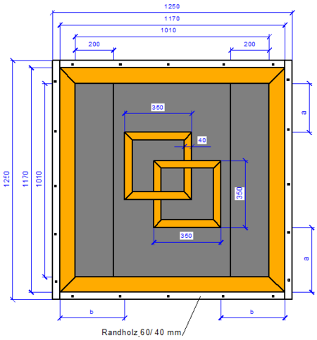
Aufgabenstellung




Gewinner



Impressionen
Mitgebrachte Teilnehmer-Prüfungsstücke
Organisation
EUFA P+F, Vorstand Hein Brehm, Bamberg, @: heinz.brehm@parkett-brehm.de
AMPR Asociatia Montatorilor de Pardoseli din Romania, Präsidenten Razvan Dobre, @: razvan.dobre@ampr.org.ro
Verantwortlich
Europäischen Förderverein für die Ausbildung von Parkettleger und Fußbodentechnik e.V. –EUFA P+F-, Vorstand Heinz Brehm, Böttgerstraße 10, D- Bamberg, Tel.: +49-951-91 788 91, @: heinz.brehm@parkett-brehm.de




















